上海长健包装器材有限公司
Shanghai Changjian Packaging Equipment Co., Ltd.

热线电话:

13381560678 

您好,欢迎访问上海长健包装器材有限公司网站!  网站地图
栏目导航 / Navigation
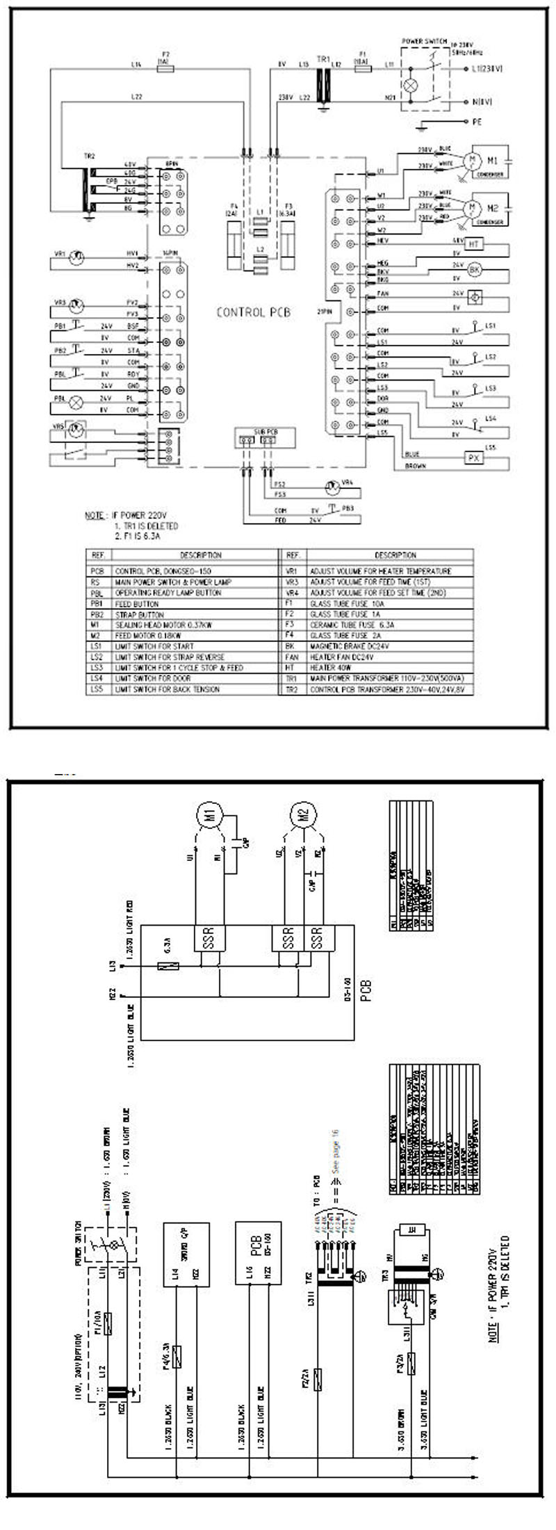
托盘栈板穿剑打包机维修
    发布时间: 2026-01-09 10:43    

托盘栈板穿剑打包机维修及配件

托盘栈板穿剑打包机维修

最新资讯 / Information
  • 托盘栈板穿剑打包机维修
  • 流水线打包机维修
  • 三代双电机半自动捆扎机维修
  • 380V 200 全自动捆扎机维修
  • 220V -201/301/401全自动打包机维修
  • 380V 101A全自动捆扎机维修
  • 手提电动打包机维修
  • 缠绕膜打包机维修
最新产品